Oscillateur à cycle décalé
Partie: Electronique
niveau: PT

V0 est une tension constante. On posera pour les calculs \alpha = \dfrac{R_1}{R_2}
Question:
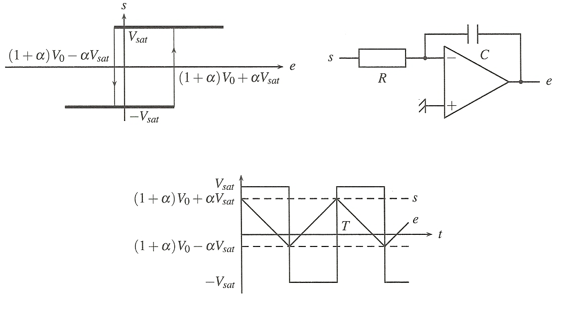
Tracer le cycle hystérésis s(e) du montage ci-dessous.
Réponse
Rétroaction sur la borne + de l'ALI, on obtient alors un régime saturé. On cherche les valeurs de e pur qu'il y ait basculement. On peut appliquer le théorème de Millmann en V_+ :
Il y aura basculement lorsque \epsilon = V_+ - V_- change de signe soit lorsque :
Les tensions de bascule sont donc e_1 = (1+ \alpha)V_0 + \alpha V_{sat} et e_1 = (1+ \alpha)V_0 - \alpha V_{sat}
Question:
On boucle ce montage à hystérésis par un intégrateur de transmittance \dfrac{E}{S} = -\dfrac{1}{j \omega \tau},~(\tau > 0).\ Proposer un montage très simple à ALI qui réalise cette fonction intégratrice.
Réponse
On peut utiliser le montage ci-dessous avec \tau=RC

Question:
Tracer les formes d'ondes de e(t) et s(t).
Réponse
On obtient s(t) = -\tau \mathrm{d}t{e} et donc e(t) est une primitive de s(t). Lorsque s(t) = V_s, on obtient e(t) = -\dfrac{V_s}{\tau}t + b donc de pente négative.\ Lorsque s(t) = -V_s, on obtient e(t) = \dfrac{V_s}{\tau}t + b donc de pente positive. On en déduit le graphique correspondant.
Question:
Préciser la période des signaux.
Réponse
T = 4 \alpha \tau (il y a une différence de tension de 2\alpha V_s entre le maximum et le minimum)
Question:
En pratique, comment peut on à partir de e(t), obtenir un signal quasi-sinusoïdal.
Réponse
On peut utiliser un filtre passe bas ou passe bande très selectif.
auteur(s) : Maxence Miguel-Brebion
contibuteur(s) :
source(s) : ?