Opérateur DP (E3A PC)
Partie: Electronique
niveau: PT
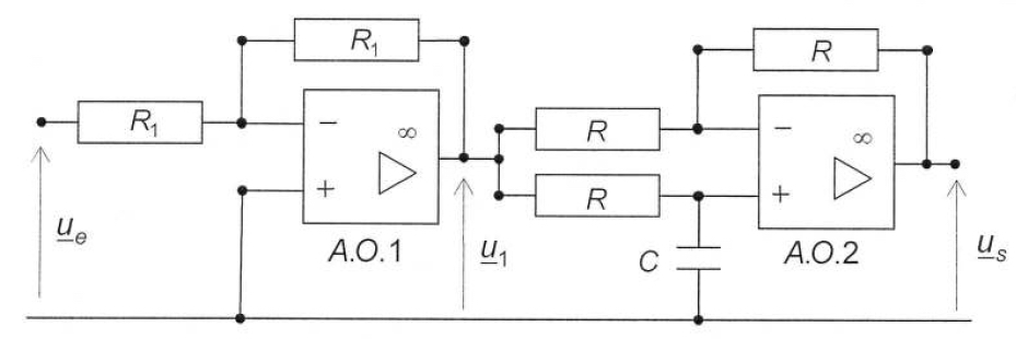
On considère le montage suivant où les amplificateurs linéaires intégrés sont idéaux et fonctionnent en régime linéaire.

Question:
Exprimez la tension \underline{u}_1 en fonction de la tension \underline{u}_e. Préciser le rôle de l'ensemble formé par l'amplificateur linéaire intégré et les deux résistances identiques R_1.
Réponse
L'ALI fonctionne ici en mode linéaire (rétroaction sur la branche -). On obtient simplement \underline{u}_1 = - \underline{u}_e et le rôle de cet étage est d'inverser l'entrée. Il permet aussi d'effectuer une adaptation d'impédance.
Question:
Déterminez la fonction de transfert \underline{H}_1(j\omega)=\dfrac{\underline{u}_s}{\underline{u}_1} en fonction de R, C et \omega. En déduire la fonction de transfert globale \underline{H}(j\omega)=\dfrac{\underline{u}_s}{\underline{u}_e} du montage.
Réponse
On obtient en observant que le deuxième ALI est aussi en fonctionnement linéaire :
et on en déduit :
Question:
Tracez l'allure du diagramme de de ce montage.
Réponse
On observe que |\underline{H}(j\omega)|=1. On obtient ensuite \arg{\underline{H}} = \pi -2 \arctan(2RC \omega)
Question:
Quel est l'effet de ce montage ? Illustrez en représentant les signaux d'entrée et de sortie pour u_e(t)=U_0+U_m\cos(\omega t) avec U_0=\text{2} V, U_m=\text{3} V , R=\text{1} k\Omega, C=\text{1} \mu F et \omega=\text{1,0e3} rad.s^{-1}.
Réponse
Il convient de calculer le déphasage \Delta \phi = \arg{\underline{H}} \approx \text{0,92} rad. Le signal de sortie est donc en avance de phase et de même amplitude que le signal d'entrée
auteur(s) : Maxence Miguel-Brebion
contibuteur(s) :
source(s) : Oral E3A filière PC