Montage déphaseur
Partie: Electronique
niveau: PT
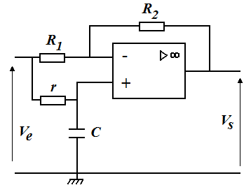
On considère le circuit suivant dans lequel l'ALI est dans un premier temps supposé idéal.

Question:
En régime sinusoïdal forcé, exprimer la fonction de transfert \underline{H} du circuit.
Réponse
ALI idéal \Rightarrow i_+ = i_- = 0
Rétroaction sur entrée - \Rightarrow régime linéaire \Rightarrow V_+ = V_-
Loi des nœuds en terme de potentiel à l'entrée - : \dfrac{V_e - V_-}{R_1} + \dfrac{V_S - V_-}{R_2} = 0
Loi des nœuds en terme de potentiel à l'entrée + : \dfrac{V_e - V_+}{r}+ \dfrac{0- V_+}{1/jC\omega} = 0
En injectant une équation dans l'autre, on élimine V- et on obtient la relation recherchée :
Question:
Quelle doit être la relation entre R_1 et R_2 pour que le gain soit égal à l'unité?
Réponse
Le gain de la fonction de transfert est donné par son module :
On peut ainsi ré-écrire la fonction de transfert :
Question:
Donner, dans ce cas, l'expression du déphasage \phi de la tension de sortie V_S(t) par rapport à la tension d'entrée V_e(t). Quel est l'intérêt de ce montage ?
Réponse
Dans ce cas, le déphasage de la sortie par rapport à l'entrée vaudra
Ainsi, le circuit étudié déphase la sortie par rapport à l'entrée sans toucher à son gain, d'où son nom !
On considère maintenant le modèle du premier ordre pour l'ALI
avec \mu_0 \approx 10^5 et \tau \approx \text{0,1} s
Question:
Obtenir la nouvelle fonction de transfert \underline{H}' = \dfrac{\underline{u}_s}{\underline{u}_s} en faisant apparaître \underline{H}.
Réponse
Après calculs, on obtient :
Question:
A partir de quelle fréquence le comportement du filtre est-il affecté par la prise en compte du modèle premier ordre de l'ALI ?
Réponse
L'effet commence à se faire ressentir quand \omega_c 2\tau/\mu_0 \approx 1\Rightarrow \omega_c \approx \mu_0/(2\tau) \approx \text{5,0e5} rad.s^{-1}. Cela correspond à une fréquence de l'ordre de f_c \approx \text{80} kHz
auteur(s) : Maxence Miguel-Brebion
contibuteur(s) :
source(s) : ?