Filtrage
Partie: Electronique
niveau: PT

Question:
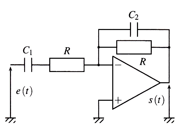
Etablissez la fonction de transfert du montage ci-dessus et la mettre sous la forme :
Réponse
Branchement sur la borne inverseuse de l'ALI donc fonctionnement linéaire supposé. Il suffit alors d'appliquer la LNTP en V_- = V_+ = 0 :
soit par identification : \omega_1 = 1/(RC_1) et \omega_2 = 1/(RC_2)
Question:
Le gain est tracé ci-dessous ; figurent le gain réel et le gain asymptotique. En déduire les valeurs de RC_1 et de RC_2.
Réponse
On retrouve \omega_1 et \omega_2 aux intersections des asymptotes : \omega_1 = \text{40} rad.s^{-1} et \omega_2 = \text{1,0e4} rad.s^{-1} (il convient de s'assurer que \omega_1 < \omega_2 avant de répondre à la question). En cas de doute, on peut écrire les équations des asymptotes Y_1 = \omega/\omega_1, Y_2 = 1 et Y_3 = \omega_2/\omega et chercher leurs intersections.

Question:
Le montage peut-il être utilisé en dérivateur ? En intégrateur ?
Réponse
On observe un comportement dérivateur pour f \ll f_1 (+20dB par déc.) et intégrateur pour f\gg f_2 (+20 dB par déc.).
Question:
Représentez l'allure de s(t) si e(t) est un signal créneau de pulsation \omega=2 rad.s^{-1} et d'amplitude 2V.
Réponse
Dans ce cas, on a \omega \ll \omega_1 et l'essentiel des harmoniques se trouvent dans la zone "dérivateur". On obtient donc une sortie type "impulsion" positives puis négatives. En pratique, il s'agit plutôt d'exponentielles décroissantes.
Question:
Tracez l'allure de la réponse de ce système à un échelon de tension lorsque C_1=C_2. On supposera que les condensateurs sont initialements déchargés.
Réponse
Il convient dans un premier temps d'obtenir l'E.D. du système à partir de la fonction de transfert :
avec ici, u_e = cste lorsque t>0. Le facteur de qualité associé vaut 1/2 et on obtient un régime critique avec comme condition initiale u_s(0^+) = u_s(0^-) = 0 d'après l'énoncé puis \dfrac{\mathrm{d} u_s}{\mathrm{d} t}(0^+) = -E/(RC) (démo à base de LdN et LdM à t=0^+).
auteur(s) : Maxence Miguel-Brebion
contibuteur(s) :
source(s) : ?